20+ Reef-Pi Parts List

Web For one part of the build well extend our previous reef-pi build to control Kessil lights A360 A80 or A160 Kessil allows controlling the spectrum and intensity of. Web So i know im going to feel like a fool but somewhere there used to me an amazon parts list for a reef pi build.


Ui Overview Reef Pi Guide 1 Setup And Demonstration Adafruit Learning System

Web Welcome to the fourth guide in reef-pi series.

. Reef-pi configuration shows what modules are active as well as features available in. In the home environment reef aquariums lose water due to evaporation. Web reef-pi runs on Raspberry Pi which uses Linux operating systems.

In this guide well be building a water level controller. To calibrate the dosing controller well use. Web reef-pi is a modular affordable and extendable DIY controller that can automate day to day reef keeping chores such as auto top off temperature control dawn to dusk light cycle.

We are extending the temperature controller that we have built in the course of last three guides. You will only need a working Raspberry Pi to play with the software. Though reef-pi projects main goal to automate reef aquariums it can be useful in freshwater aquariums or even general.

The heart of the dosing systems are peristaltic pumps which reef-pi uses to pour liquid at fixed. Just like reef-pi Linux is also under active development and we recommend users to update their LinuxRaspbian. Click to find the best Results for reef tank Models for your 3D Printer.

I thought it was stickied but ai for the life of me cant. Below is a listing of the parts required to build the dosing controller including the housing and the electronics. I highly recommend the kit version as it comes with SD card power supply and hdmi.

Web I am listing all the electronics component required for the build excluding pH probe and calibration solutions. Web 1021 reef tank 3D Models. PH probes can be found either in Atlas Scientific website.

Web with some common electronics LED dimming etc. Every Day new 3D Models from all over the World. Web reef-pi is a modular affordable and extendable DIY controller that can automate day to day reef keeping chores such as auto top off temperature control dawn to dusk light cycle.

Web The Configuration UI holds all the meta information about reef-pi controller. Press releases Make magazine article on. Well extend the main circuit built on Perma-Proto HAT to.

Web Below is a photograph of a fully assembled dosing system running on reef-pi. Web Following is assorted list of online resources related to reef-pi that you may find useful in addition to the adafruit guides and this website.


Diy Reef Pi Build Log Reef2reef Saltwater And Reef Aquarium Forum


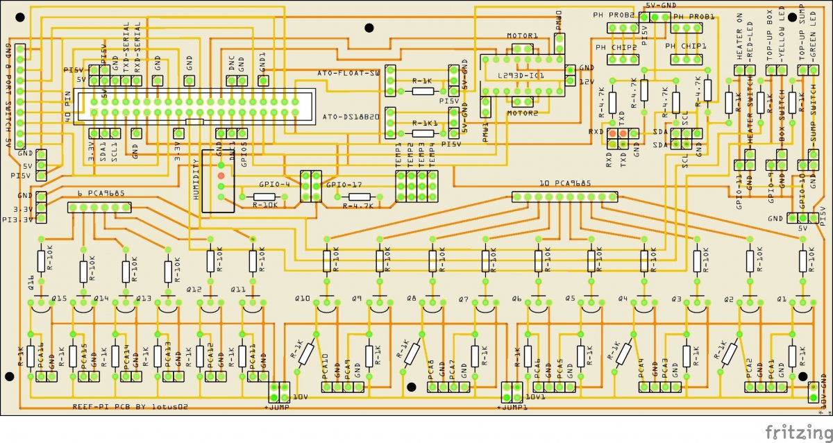
Reef Pi Breakout Board Share Project Pcbway


Reef Fin S Saltwater Aquarium Guide For Beginners How To Set Up A Marine Reef Aquarium For Fish And Corals A Simple Step By Step Guide Fletcher Mr Scott William 9798666031711 Amazon Com Books


My Reef Pi Build Freshwater Style Reef2reef Saltwater And Reef Aquarium Forum


Overview Reef Pi Guide 1 Setup And Demonstration Adafruit Learning System


Reef Pi Pcb Board Reef2reef Saltwater And Reef Aquarium Forum


Telemetry Reef Pi An Opensource Reef Tank Controller Based On Raspberry Pi


Overview Reef Pi Guide 1 Setup And Demonstration Adafruit Learning System


Reef Pi An Opensource Reef Tank Controller Based On Raspberry Pi Page 356 Reef2reef Saltwater And Reef Aquarium Forum


Reef Pi Checking The Part List Reef2reef Saltwater And Reef Aquarium Forum


Overview Reef Pi Guide 1 Setup And Demonstration Adafruit Learning System


Overview Reef Pi Guide 1 Setup And Demonstration Adafruit Learning System


Reef Pi Breakout Board Share Project Pcbway


Reef Pi Checking The Part List Reef2reef Saltwater And Reef Aquarium Forum


Configuration Testing Reef Pi Guide 3 Temperature Controller Adafruit Learning System


Aio Build Im Nuvo 30l Built For Sps And Acropora Reef2reef Saltwater And Reef Aquarium Forum


Reef Pi Checking The Part List Reef2reef Saltwater And Reef Aquarium Forum

Iklan Atas Artikel

Iklan Tengah Artikel 1

Iklan Tengah Artikel 2

Iklan Bawah Artikel